Automação com Conexão, Qualidade e Agilidade.

Produtos

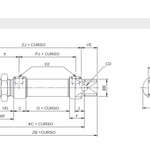
MA - CILINDRO MINI ISO 6432

SKU: CILINDROMINIISO6432

MA - CILINDRO MINI ISO 6432

Descrição do produto

Cilindro MINI ISO 6432, Camisa: Redonda, Diametro de : Ø8mm, Ø10mm, Ø12mm, Ø16mm,Ø25mm, Ø25mm e Ø32mm  ,  Curso : 10 MM a  400 MM, Magnetico, Material da haste:Aço cromado 1045, Vedacao:Buna-N, Acao:Dupla, Fluido:Ar, Pressao de trabalho:1-10, Temperatura de trabalho:0-80C, Material do cabecote : Aluminio, Material da camisa: aço inox 304

Tirar Dúvidas

Produtos Relacionados

Aguarde...