Automação com Conexão, Qualidade e Agilidade.

Produtos

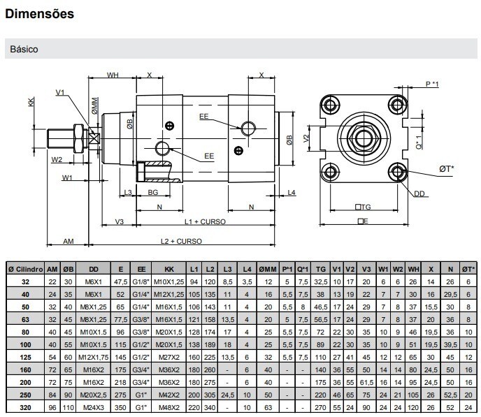
Cilindro ISO MK 6431 / 15552

SKU: CILINDROISOMK643115552:87

Cilindro ISO MK 6431 / 15552

R$ 0,00

Descrição do produto

Possuímos este modelo de cilindro nos diâmetros de Ø32mm, Ø40mm, Ø50mm, Ø63mm,Ø80mm, Ø100mm e Ø125mm com cursos de haste padrão em estoque e cursos sob medida com prazos de fabricação de até 2 dias uteis de acordo com a necessidade do cliente. 

Tirar Dúvidas

Produtos Relacionados

Aguarde...